logo

Взрывозащищенный прибор

1
MOQ
Взрывозащищенный прибор
Характеристики Галерея Характер продукции Спросите цитату
Характеристики
Характеристики
Основная информация
Место происхождения: Китай
Фирменное наименование: YAOHUA
Номер модели: XK3190-C9G
Оплата и доставка Условия
Характер продукции

Основные функции
Высокоскоростной высокопроизводительный ARM-процессор, 32-битная точность операций с плавающей запятой.
Промышленный изоляционный источник питания с высокой надежностью, широкий вход 24 В постоянного тока / 220 В переменного тока, множественная защита.
Таблица изменений не требует повторной калибровки, можно использовать только параметры исходного прибора.
Полностью изолированный аналоговый выход 0-5 В / 0-10 В / 4-20 мА, калибровка в мультирежиме.
Полная изоляция RS485 и RS232 двойной последовательный порт высокоскоростной выход; Стандартный протокол связи (modbus-rtu)
Внешний интерфейс вывода токовой петли на большой экран.
Изоляционный переключатель - 3 из 3 управления.
Схема сбора и преобразования сигналов датчиков добавляет запатентованную технологию, которая может быть самодиагностикой и самозащитой, и ее удобнее использовать.
Технические параметры
Точность: уровень 3, n=3000.
Диапазон входного сигнала: -15 мВ ~ +15 мВ.
Нелинейность: менее 0,01% F.S.
Количество подключений датчиков: 1 ~ 4 только датчик 350 Ω
Для питания моста: постоянный ток: 5 В.
Подключение датчика: 6-проводная система, долгосрочная автоматическая компенсация.
Дисплей: однострочный 7-сегментный светодиод, высота 0,8 дюйма, 7 индикаторов состояния.
Значение: 1/2/5/10/20/50/100.
Клавиатура: используйте 6 взрывозащищенных кнопок точечного действия.
Интерфейс отображения на большом экране: режим последовательного вывода, сигнал источника постоянного тока 20 мА.
Интерфейс связи: RS232, RS485. Скорость передачи данных 1200 ~ 9600.
Интерфейс печати: с последовательным портом, можно подключить последовательный принтер.
Выход: контактная емкость AC220V/DC24V; 0,5 А
Внешний управляющий вход: контакт переключателя (замкнут при активации)
Источник питания: AC220V или DC 12 ~ 24V.
Температура и влажность при использовании: 0 ~ 40; 85% относительной влажности или менее
Температура хранения: - 20 ~ 50 ℃
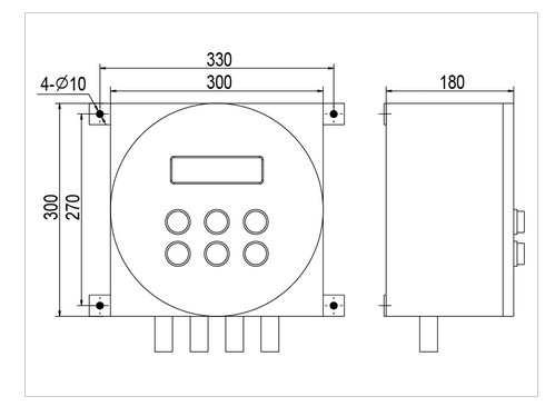
Размер: установочный размер: 335 x 270 мм.
Внешние размеры: 300 x 300 x 150 мм.

 

Порекомендованные продукты
Свяжись с нами
Контактное лицо : Mr. Huang
Телефон : +8618967119828
Осталось символов(20/3000)